Kategori : ELECTRICITY ENERGY NEWS, ENERGY AGENDA NEWS, OIL & FUEL SECTOR NEWS - Tarih : 30 November 2019
İstanbul Deniz Otobüsleri (İDO) Feribotlarında Yakıt Tasarruflu ve Çevreye Daha Duyarlı Alternatif Enerji Teknolojilerinin Olası Kullanım Koşullarının Değerlendirilmesi
‘EEMKON 2019 Kent ve Elektrik Sempozyumu’ bildirimi olan bu çalışma detayları aşağıdadır;
Berfin Şahin1, Melis Ateş1, Özdemir Alp Topalak2, Füsun Tut Haklıdır1, M. Emre Erdem2
1İstanbul Bilgi Üniversitesi, Enerji Sistemleri Mühendisliği Bölümü, Santral Kampüs, Eyüp İstanbul
2İstanbul Bilgi Üniversitesi, Makine Mühendisliği Bölümü, Santral Kampüs, Eyüp İstanbul
berfin.sahin@bilgiedu.net; melis.ates@bilgiedu.net; alp.topalak@bilgi.edu.tr; fusun.tut@bilgi.edu.tr; emre.erdem@bilgi.edu.tr
Özet:
İstanbul Deniz Otobüsleri (İDO) hem İstanbul içi hem de şehirler arası yaptığı yolcu ve arabalı vapur seferleri sayesinde toplum için büyük bir kolaylık sağlamaktadır. Ancak, günümüzde artan yakıt fiyatları şirketler arasındaki rekabet azalmaktadır. Yakıt fiyatlarının artması sebebiyle tasarruf yoluna gidilmesi gerekmektedir. Buna dayanarak İstanbul Deniz Otobüsleri için hem harcanan yakıttan tasarruf ettirecek hem de açığa çıkan emisyon miktarının azaltılması için farklı senaryolar değerlendirilmiştir ve değerlendirilen kriterlere göre en verimli olacak senaryo seçilmiştir. Değerlendirilen senaryolar sırasıyla; güneş panellerinin kullanımı, rüzgar türbini teknolojileri, batarya sistemleri, yakıt pili teknolojileri ve gaz türbini teknolojileridir. Bunlar ayrı ayrı araştırılarak, gerekli bütçe ve tasarruf hesapları yapılarak uygun olan teknolojiyi belirlemek amaçlanmıştır. Yapılan hesaplarda geminin mevcut ağırlığı ve aynı zamanda taşıma kapasitesi, ek olarak kullanılmak istenen her teknoloji için gemiye eklenecek olan ekipmanların kaplayacakları alanlar ayrı ayrı hesaplanmıştır. Bu hesaplamalar ve alternatif enerji teknolojilerinin karşılaştırılması sonucunda akü sisteminin mevcut sisteme eklenmesi kararlaştırılmış ve akü sisteminin gemiye entegrasyonu gerçekleştirilmiştir. Bu entegrasyona göre kullanılacak pil sayısı, saha hesabı, bütçe hesabı ve yakıt tasarrufu hesapları yapılmaktadır. Ayrıca, lityum-iyon pil eşdeğer devre modellerine baktığımızda, dinamik performans ve şarj durumu tahmini açısından mevcut koşullara da en uygun modelin çift polarizasyon modeli olduğu anlaşılmıştır.
GİRİŞ
İnsanoğlu uzun yıllar önce deniz taşımacılığı için okyanusları, nehirleri ve denizleri karayolu taşımacılığına göre fazla ürün taşınabilmesi, daha uzak mesafelere gidilmesine olanak sağlaması amacıyla kullanmaya başlamıştır (UNCTAD, 2017). Günümüze yaklaşıldığında is artan taşımacılık hacmi hem fosil yakıtların maliyetlerinin hem de çevreye zarar veren emisyonların artmasına neden olması nedeniyle alternatif yakıt ve araç teknolojilerinin araştırılması gereğini doğurmuştur (Deniz ve Zincir, 2016). Bilindiği üzere fosil yakıtların yaygın olarak kullanılması ve kaynakların günümüzde daha hızlı tüketilmeye başlaması enerji krizlerine yol açabilmektedir. Yakıldıklarında ve işlendiklerinde açığa çıkan zararlı sera etkisi yaratmaya müsait gazlar sonucunda ozon tabakasının zarar görmesine bağlı küresel ısınmanın etkileri kaçınılmaz bir hal almıştır. Bu etkileri en aza indirebilmek amacıyla yenilenebilir, daha çevre dostu enerji kaynaklar ve araç teknolojileri kullanılmasının önemi fark edilmiş olup, bununla ilgili mühendislik çalışmaları otomotiv sanayiinde geçtiğimiz yüzyılın son çeyreğinden itibaren hızla devam etmektedir (TEHAD, 2019). Sadece alternatif yakıt ve araç teknolojileri değil, enerji depolama da bu alanda da önem kazanmaktadır.
İstanbul bilindiği üzere büyük bir metropol kentidir ve nüfus yoğunluğuna bağlı olarak toplu taşımanın büyük önem taşıdığı şehirlerden biridir. Trafik açısından da çok yoğun olan İstanbul için yakıt ve emisyondan yapılacak olan her türlü tasarruf da önem taşımaktadır. Bundan dolayı, günümüzde elektrikli araç kullanımına olan talep artmaktadır. Ancak, kullanılan enerji kaynağı konusunda halen tartışmalar sürmektedir. Bu enerji kaynağının yenilenebilir enerjiden üretildiğinde yakıt tüketiminin yüksek oranda azaldığının ve emisyonların ciddi miktarlarda düşürülebileceği, çevre dostu teknolojilerin ortaya çıkacağı öngörülmektedir (Navarro vd., 2019). Dünyada olduğu gibi Türkiye’de de elektrikli araç kullanılmaktadır fakat bu oran dünyada 4 milyon rakamına ulaşmışken Türkiye’de bu sayı 1000’in altındadır (TEHAD, 2019). Bu nedenle, elektrikli araç teknolojileri ve yenilenebilir enerjiye daha fazla teşvik sağlanması gerekmektedir.
Hali hazırda dünyada hidrojenli araçların, rüzgar ve güneş enerjisinin kullanıldığı araçları teknolojileri de geliştirilmeye çalışılmaktadır.
Bu çalışma kapsamında İDO feribotları örnek alınarak, farklı teknolojilerin kullanımları karşılaştırılmaya çalışılmıştır.
İstanbul’un en büyük feribot işletmelerinden İDO, boğazın her iki tarafındaki limanlara, Karadeniz’e ve çevresinde sahip olduğu yolcu, araba ve yolcu feribotlarının taşınacağı katamaran tipli gemiler kullanmaktadır (Şekil.1).

Şekil 1. Çalışma İçin Seçilen İDO Aracı
İDO’DA KULLANILAN MEVCUT ARAÇ TEKNOLOJİLERİ
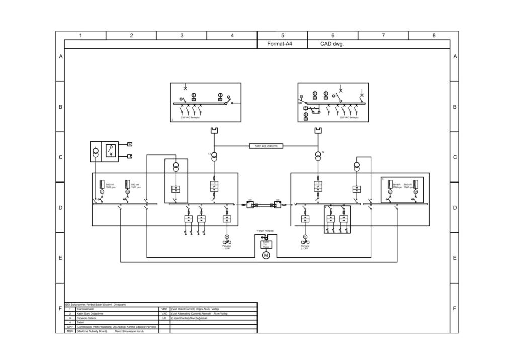
Proje kapsamında incelenen Harem – Sirkeci hattı üzerinde işletilen Sultanahmet Arabalı Vapuru, hibrit bir sisteme sahiptir. Dizel – elektrik kombinasyonu olan bu sistem; her biri 580 kWh ve 1500 devirde çalışan 4 adet dizel motor sistemi, 2 adet elektrik motor sistemi bulunmaktadır. Toplamda 2320 kWh enerji üretilmektedir ve bunun 1200 kWh kadarı bir gidiş geliş süresince harcanmaktadır. Her dizel motor sistemi 50 litre/saat yakıt tüketimi gerçekleştirmektedir. Geminin taşıma kapasitesi ise 2050 tondur (Şekil.2) .

Şekil 2. Çalışmada Kullanılan İDO Aracının Elektrik Motor Dairesi
İstanbul Teknik Üniversitesi tarafından 2017 yılında yapmış olduğu deneyde, ABC 8MDX tipi, 4 motorlu, turbo şarjlı, dahili soğutma, 883 kW motor gücü, 198 g/kWh yakıt tüketimi ile 850 devir/dakika motor hızı olan gemide yakıt olarak düşük kükürtlü içeren dizel yakıt kullanılmıştır. Emisyon verileri değerlendirilmiştir (Şekil3).

SEÇİLEN İDO ARACINA FARKLI YAKIT VE ENERJİ TEKNOLOJİLERİNİN ADAPTASYON SENARYOLARININ DEĞERLENDİRİLMESİ
Çalışma kapsamında seçilen İDO aracında kullanılma şartlarının değerlendirildiği beş senaryo üzerinde çalışılmıştır. Senaryolardan üçünde emisyon miktarlarını en aza indirme koşullarını sağlayabilmek için güneş, rüzgar ve hidrojen yakıt pili sistemleri çalışılırken, gaz motoru ve dizel motora batarya sisteminin eklenmesi koşulları incelenmiştir.
Senaryo 1: Güneş Panel Sistemi Kullanımı:
Yapılan hesaplamalarda gemi için toplan 3243 adet solar panel gerekmektedir. Paneller için gerekli boş alan yaklaşık olarak 6293 m2 olarak belirlenmiştir. Tüm paneller toplamda 71,346 kg ağırlığındadır. Bu araştırmalar ve hesaplamalar sonucunda, geminin kurulacak panel sistemi ve ekipmanları için yeterli boş alana sahip olmaması ve bütçe olarak uygunsuzluğundan ötürü, bu sistem tercih edilmemiştir.
Senaryo 2: Rüzgar Türbin Sistemi Kullanımı:
Geminin ihtiyacı olan enerjinin üretilebilmesi için portatif rüzgar sistemleri yerine normal boyutlardaki sistemlerin kullanılması daha uygun olacaktır. Yaklaşık olarak 400 adet rüzgar türbinine ihtiyaç vardır. Fakat geminin yeterli alanı ve taşıma kapasitesi bulunmadığından, aynı zamanda türbinlerin verimliliğinin maksimum düzeyde olması için yerleştirilecek lokasyonların uygunsuzluğu ve bütçe aşımından dolayı bu sistem tercih edilmemiştir.
Senaryo 3: Hidrojen Yakıt Pili Sistemi:
En verimli olan Proton Değişim Zarı Yakıt Hücresi (PEM) teknolojisi araştırılmıştır (Kumar ve Himabindu, 2019). 80 ℃ gibi düşük bir sıcaklıkta işleme başlayabilmektedir. Yapılan hesaplamalarda 1200 adet yakıt pili ihtiyacı olduğu belirlenmiştir. Toplam ağırlıkları 4920 ton olup 8.627.724 m2 alan kaplamaktadır. Bu sistem kullanımı ekonomik olarak uygun görünse de ekipmanların ağırlıklarının taşıma kapasitesini zorlaması ve ekipmanların yerleştirileceği alanın yetersizliğinden dolayı bu sistem tercih edilmemiştir.
Senaryo 4: Gaz Türbini + Elektrik Motor Sistemi:
Bu sistem için gemideki dizel motorların çıkarılması düşünülmüştür fakat, geminin ilk hareketi dizel motorun tahrik sistemiyle olduğundan ve gaz motor sisteminin çok pahalı olup bütçe aşımına sebep olmasından dolayı bu sistem tercih edilmemiştir.
Senaryo 5: Batarya Sistemi Kullanımı:
Mevcut sistemden dolayı (dizel motor + elektrik motor) batarya sisteminin gemiye entegre edilmesi yakıt tüketimi, emisyon azaltması ve maliyet açısından uygun görülmüştür. Bu kısımda Norveçli bir firmanın tasarımı örnek alınmıştır (Norwegian Electric Systems, 2019). Yapılan hesaplamalarda 4012 adet pil gerektiği belirlenmiştir. Bunun için ise gerekli alan 325 m2’dir. Geminin ürettiği 2320 kWh elektriğin 1200 kWh kadarı kullanılmakta olup, kalan 1120 kWh’lik kısım batarya sistemi ile depolanarak her açıdan tasarruf sağlanıp daha verimli bir sistem haline getirilmesi hedeflenmiştir. Bunların sonucunda ideal koşullarda ortalama %70 bir yakıt tasarrufu ve yaklaşık olarak %6’lık bir SOx emisyon salınımında azalma beklenmektedir (Şekil.4).
Şekil 4. Seçilen Senaryonun Entegrasyon Akış Şeması
SONUÇLAR VE TARTIŞMALAR
Bu kısımda tüm değerlendirilen ve araştırılan senaryolar bir tablo içerisinde verimlilik, maliyet, emisyon ve yakıt tüketimi kriterlerine göre karşılaştırılmıştır (Tablo 1; Şahin vd., 2019). Bu karşılaştırma, her senaryo için düşünülen sistemin yapıldığı malzemelerin özellikleri, maliyetleri vb. kriterler göz önüne alınarak, karşılıklı değerlendirilmeye çalışılmış olup, Tablo.1 son kısmında ilgili senaryonun neden seçilemediği belirtilmiştir.

Bu karşılaştırma, her senaryonun en ince ayrıntısını görmek, her biri arasında daha şeffaf bir karşılaştırma yapabilmek ve uygun senaryoyu en hatasız şekilde belirlemek amacıyla yapılmıştır. Seçilen senaryoya göre, yakıttan sağlanan büyük orandaki tasarruf, emisyon salınımını da azaltmaktadır. Bu sayede şirket bütçesi içerisinde yakıt alımına ayrılan miktar daha az olması beklenmektedir. Yapılan tasarrufların biriktirilmesiyle diğer mevcut olan gemilere de bu sistem entegre edilerek daha fazla tasarruf sağlanırken, aynı zamanda da İDO’nun daha çevre dostu bir ulaşım şirketi olunabileceği düşünülmektedir.
TEŞEKKÜR
Bu projenin ortaya çıkmasında payları çok büyük olan ve yardımlarını esirgemeyen İstanbul Deniz Otobüsleri Yakıt ve Çevre Müdürü Sayın Yavuz ÇATAL ve Sultanahmet Arabalı Vapuru Baş Mühendisi Sayın Mustafa YAMADAĞ’a teşekkürlerimizi sunarız.
REFERANSLAR
1- Deniz, C., Zincir, B. Environmental and Economical Asssesment of Alternative Marine Fuels. Journal of Cleaner Production, V.113. 438-449.
2- Ergin, S., Durmaz, M., Kalender, S. (2017). An Experimental Investigation on the Effects of Fuel Additivite on the Exhaust Emissions of a Ferry. Proceedings of the Institution of Mechanical Engineers Part M, Journal of Engineering fort he Maritime Environment.
3- Navarro D.J.A, Lopez, R. D., Loyo, J.M.Y, Sevil, A. J.S., Agustin, B. J.L. 2019. Design of an electric vehicle fast-charging station with integration of renewable energy and storage systems. International Journal of Electrical Power& Energy Systems V.105. 46-58.
4- Norwegian Electric Systems, 2019. Odin`s Eye, Electric Propulsion https://www.norwegianelectric.com/products/odins-eye/
5- Kumar, S.S., Himabindu, V. 2019. Hydrogen Production by PEM water electrolysis- A review. Materials Science for Energy Technologies, V.2:3, 442-454.
6- Şahin, B., Ateş, M., & Topalak, Ö A. (2019). İstanbul Deniz Otobüsleri (İDO) Feribotlarında Yakıt Tasarruflu ve Çevreye Daha Duyarlı Alternatif Enerji Teknolojilerinin Olası Kullanım Koşullarının Değerlendirilmesi. Tez, (Enerji Sistemleri Mühendisliği & Makine Mühendisliği Bölümleri) İstanbul Bilgi Üniversitesi, 138 sayfa.
7- TEHAD, 2019. Türkiye Elektrikli ve Hibrit Araçlar Platformu Manifestosu; http://tehad.org/manifesto/
8- UNCTAD, 2017. Review of Maritime Transport report, UN, Newyork, 130 s.





